EN AT DE CZ HU SI SK HR 


Argo-Hytos

ARGO-HYTOS SOB5A-Q3/L SPOUŠTĚCÍ BRZDICÍ VENTIL ZCELA NEZÁVISLÝ NA DYNAMICKÝCH TLACÍCH

ARGO-HYTOS SOB5A-Q3/l Spouštěcí brzdicí ventil zcela nezávislý na dynamických tlacích

ARGO-HYTOS SOB5A-Q3/l Spouštěcí brzdicí ventil zcela nezávislý na dynamických tlacích
Odeslat dotaz na tento produkt
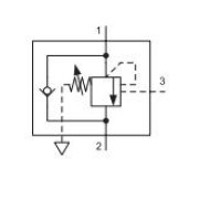
Ventil sestává ze sedlového přepouštěcího ventilu
s pomocným řízením s diferenciálním pístem
a z obtokového jednosměrného ventilu pro opačný směr
průtoku.

Popis:

  • Ventil zabraňuje předbíhání spotřebiče v aplikacích s negativním zatížením
  • Držení zátěže bez objemových ztrát
  • Omezení maximálního tlaku pro ochranu spotřebiče proti přetížení a tlakovým špičkám
  • Ventil může být použit jako ochrana proti prasknutí potrubí nebo hadice
  • Je-li ventil použit jako přepouštěcí ventil, působí zpětný ventil jako sací ventil a zabraňuje kavitaci na spotřebiči
  • Jako přepouštěcí ventil reaguje nezávisle na tlaku v odpadu
  • Ventil by měl být namontován co nejblíže ke spotřebiči 

Vlastnosti:
  • Maximální tlak do 350 bar
  • Průtok do  30 l / min

Odeslat dotaz na tento produkt

ARGO-HYTOS SOB5A-Q3/L SPOUŠTĚCÍ BRZDICÍ VENTIL ZCELA NEZÁVISLÝ NA DYNAMICKÝCH TLACÍCH




Děkujeme za Váš dotaz!
Budeme Vás kontaktovat co nejdříve!

© Copyright 2026 Ulbrich Group
První stranaProduktyZprávy / novinkyKe staženíVideoObchodní partneřiO společnostiMapa stránekZřeknutí se odpovědnostiObchodní a dodací podmínkyCookiesISO CertifikátyPolitika kvalityOchrana datCode of Conduct
Zpět nahoru
https://www.ulbrich.cz/,https://dir.ulbrich.si/,cze
Používáme soubory cookie, které nám pomáhají se statistikami, aby vaše zkušenosti zde byly jedny z nejlepších. Pokud nejsou podle vašeho vkusu, můžete je zakázat. Pokud však budete pokračovat v procházení stránky bez změny nastavení, rozumíme tomu, že plně souhlasíte s používáním souborů cookie.
Nastavení souborů cookiePOKRAČOVAT V ZOBRAZENÍ STRÁNKY
NASTAVENÍ COOKIE

Používáme také soubory cookie, které nám pomáhají se statistikami, aby byl váš zážitek zde jeden z nejlepších. Ale nebojte se – jsou domácí.
Více si o tom můžete přečíst Upozornění o souborech cookie, a níže je můžete vypnout nebo zapnout.




ULOŽIT NASTAVENÍ